尊敬的客户您好,欢迎使用(冷暖商城)订货商城!
[登录]
[免费注册]
手机登陆
下载客户端
|
管理入口
热门搜索:
CCHome
伊莱克斯
特灵
曼派
海林
自然屋
会员中心
您好,请
登录
|
免费注册
返回首页>
最新订单状态:
查看所有订单>
积分商城
修改资料
财务明细
留言反馈
商品订货统计
退货管理
最近购买商品
修改密码
我的购物车
首页
产品中心
购物车
我的订单
新闻资讯
积分商城
帮助中心
分类导航
空调材料
空调材料
中财系列
采暖系统
采暖辅材
 
管道管件
 
分水器混水
 
电热和温控
 
锅炉和水箱
 
暖气片毛巾架
 
电缆电暖气片
 
空调系统
管道管件
 
空调辅材
 
空调设备
 
电动阀
 
空调温控器
 
新风系统
新风设备
 
新风辅材
 
新风耗材
 
除湿系统
除湿机
 
酒窖空调
 
净水系统
净水设备
 
净水耗材
 
水泵系列
增压泵
 
热水循环泵
 
阀门配件
适配-特灵系列
适配-约克系列
适配-海林系列
适配-曼瑞德系列
适配-西门子系列
其他系统
积分兑换
 
新闻中心
更多>>
订货流程介绍
公司简介
关于冷暖商城订货平台运费
产品质量责任和售后服务条款
看不到产品价格
关于产品质量问题引起的责任和售...
商品分类
阀门配件
产品编号:
BH000075
产品名称:
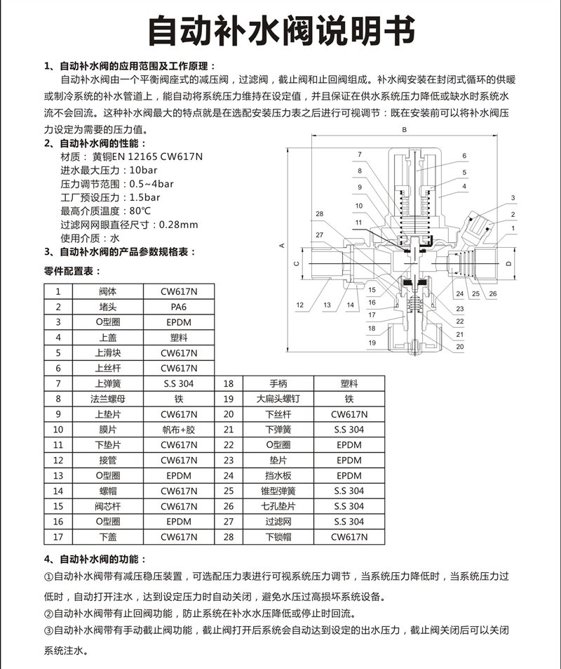
自动补水阀(百沃特)
品 牌:
百沃特
累计销售:
件
批量订货
序号
商家编号
规格
起订量
批发价
订购数量
1
DN15口径
1 件
0.00
2
压力表(配自动补水阀)
1 件
0.00
产品详细介绍
分享到:
微信
新浪微博
更多
购物指南
配送方式
支付方式
售后服务
关于我们
购物流程
积分说明
常见问题
订单状态说明
找回密码
配送范围及时间
商品验货与签收
货到付款及刷卡
在线支付
银行转账
预存款支付
售后政策
退换货政策
退款说明
返修/退换货
联系方式
招纳贤士
用户条款
手机订货
微信扫一扫
Copyright 2019 版权所有 © 苏州筑冷暖贸易有限公司
苏ICP备15007223号